DS70000-AENETC – это программное обеспечение для проверки соответствия требованиям стандартов Automotive Ethernet 100M/1000M (IEEE Std 802.3bp, IEEE Std 802.3 bw, OPEN Alliance TC8) с помощью цифровых осциллографов серии DS70000.
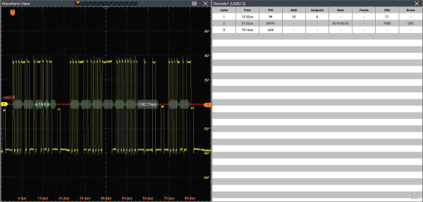
Программная опция DS70000-USBA активирует в осциллографах RIGOL серии DS70000 возможность декодирования и анализа сигналов последовательной шины передачи данных USB2.0.
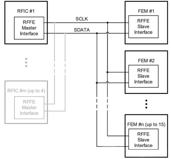
Программная опция DS70000-RFFEA активирует в осциллографах RIGOL серии DS70000 возможность декодирования и анализа сигналов последовательной шины передачи данных MIPI-RFFE.
Программная опция DS80000-AEROA активирует в осциллографах RIGOL серии DS80000 возможность запуска, декодирования и анализа сигналов последовательной шины передачи данных MIL-STD-1553.
Программная опция DS80000-AUDIOA активирует в осциллографах RIGOL серии DS80000 возможность запуска, декодирования и анализа сигналов последовательной шины передачи данных I2S.
Программная опция DS80000-AUTOA активирует в осциллографах RIGOL серии DS80000 возможность запуска, декодирования и анализа сигналов последовательных шин передачи данных CAN, CAN-FD, LIN, FlexRay.
Программная опция DS80000-EMBDA активирует в осциллографах RIGOL серии DS80000 возможность запуска, декодирования и анализа сигналов последовательных шин передачи данных RS232/UART, I2C, SPI.
DS80000-ENETC – это программное обеспечение для проверки соответствия требованиям стандартов IEEE802.3 Ethernet 100BASE-TX/1000BASE-T с помощью цифровых осциллографов серии DS80000.
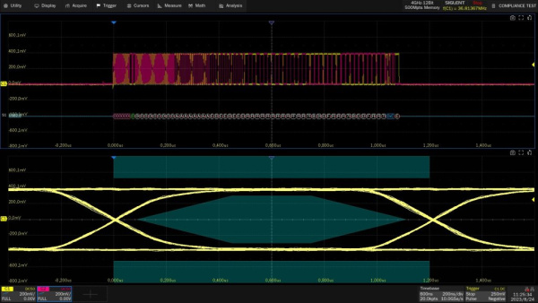
Программная опция DS80000-JITTA активирует в осциллографах RIGOL серии DS80000 возможности анализа глазковых диаграмм и измерения параметров джиттера (фазового дрожания фронтов сигналов опорной частоты и передаваемых данных). Проведение измерения и анализа доступно во всех аналоговых каналах.
Программная опция расширения памяти записи до 4 млрд. точек для осциллографов RIGOL серии DS80000. Увеличение памяти хранения осциллограмм c 500 млн. точек до 4 млрд. точек в каждом канале.
Программная опция расширения памяти записи до 2 млрд. точек для осциллографов RIGOL серии DS80000. Увеличение памяти хранения осциллограмм c 500 млн. точек до 2 млрд. точек в каждом канале.
Программная опция увеличения полосы пропускания осциллографов RIGOL MSO8000A с 1,5 ГГц до 3 ГГц.
Программная опция увеличения полосы пропускания осциллографов RIGOL MSO8000A с 750 МГц до 3 ГГц.
Программная опция тестирования на соответствие стандартам 100Base-TX Ethernet. Необходима тестовая площадка FX-ETH. Для осциллографов серии АКИП-4143.
Программная опция тестирования на соответствие стандартам USB 2.0. Для осциллографов серии АКИП-4143/ Необходима тестовая площадка FX-USB2
Программная опция, декодирование USB 2.0. Для осциллографов серии АКИП-4143.
Программная опция, декодирование MANCHESTER. Для осциллографов серии АКИП-4143.
Осциллограф упрощает сбор и анализ данных сложных сигналов и решает ряд задач, таких как отладка или обнаружение ошибок цепи.
В зависимости от области применения необходимы дополнительные аксессуары и опции для осциллографов, которые значительно расширяют изначальные возможности прибора.